NORM'S ROTOR SERVICE TM

 

 

"Norm's Rotor Service purchases Alliance Rotor division"

 

 Good and Bad News About ALLIANCE !

 

horizontal rule

Let's get the bad news out of the way first.  The bad news is: ALLIANCE is out of the rotor business completely.


Alliance HD-73-1 control box

The GOOD news is that Norm's Rotor Service has bought all parts, all materials, and all technical data from Alliance.  NRS now owns all rights to and a complete parts inventory for the HD-73 and U100/U110 series rotors and control boxes.

Alliance HD-73 rotor

 

 

For service and for parts for the HD-73 rotors and control boxes, as well as the U-100 and U-110 rotors and controls, call Norm's Rotor Service. We're now your one-stop shop.

 

 

 

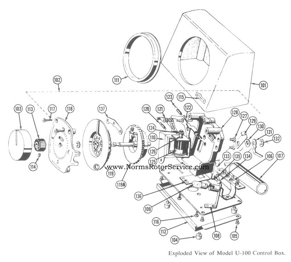
NEW!  Exploded views of U100/U110 rotors and controls

Links on using the Alliance U-100 or U110 rotors for AZ/EL...

 

                                                                                                    Click on image to enlarge       

              

               KH6HAK - great NEW site on U-100 Az-El rotor control

               K8DAV's NEW computer control of Alliance rotors for AZ/EL

               N1BUG EME Station                                               

               KO6TH's Homebrew AZ/EL Rotor and controller

               N0YK Satellite Antenna Array

               VE5FP DEC 1998 QST  "An Inexpensive  Az-El Rotator System" An up, down all-around 

                antenna pointer you can build yourself using 2 Alliance U-100/U110 rotors. ARRL members

                can download a .PDF of the article at the ARRL web site.

 

horizontal rule



 

 

        
Copyright © 1996,1997,1998,1999,2000,2001,2002,2003,2004,2005,2006,2007,2008,2009,2010,2011,2012,2013,2014
Norm's Rotor Service

Hit Counter